2017-2024 Copyright ? www.bayule588.com 同林臭氧裝置版權所有 備案號:京ICP備17038069號-16
污水臭氧催化氧化深度處理系統包括哪些設備
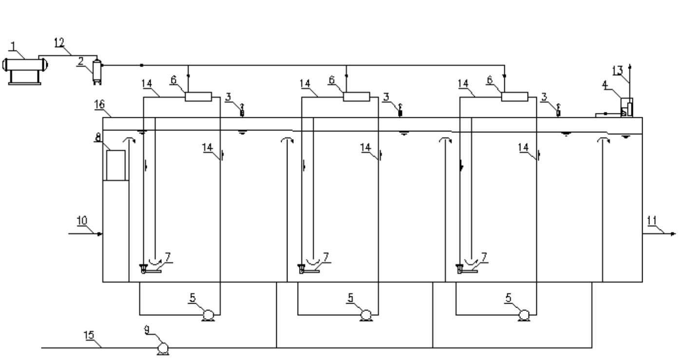
污水臭氧催化氧化深度處理系統(圖)應由臭氧催化氧化單元和臭氧發生裝置單元以及檢測控制單元構成。各類形式臭氧催化氧化單元以及臭氧發生裝置單元的過程控制宜符合本規程附錄 A 的規定。

臭氧發生裝置單元的氣源宜采用氧氣源。
臭氧發生裝置單元的氧氣源,應根據氣源成本、臭氧的發生量、場地條件以及臭氧發生的綜合單位成本等因素選擇液氧、空氣 PSA 或 VPSA 制氧或能滿足氣源要求的其他富氧源。
檢測控制單元應由檢測儀表和控制單元構成。

1臭氧發生裝置單元;2-防倒流罐;3-自動雙向壓力乎衡閥;4-臭氧尾氣消除裝置;5-射流泵;6一高效臭氧溶氣裝置;7-二次混合設備;8-均相催化反應器;9一放空泵;10-進水管路;11-出水營路;12-臭氧管路;13一臭氧尾氣排出管路:14一射流營路;15一放空管路;16一臭氧催化氧化池
射流投加臭氧催化氧化單元過程控制示意圖(均相)
電話
微信客服
2017-2024 Copyright ? www.bayule588.com 同林臭氧裝置版權所有 備案號:京ICP備17038069號-16